欢迎访问绍兴上虞宏亿风机有限公司网站!
产品中心/ PRODUCTS CENTER您现在的位置:网站首页 > 产品中心 > DWT-III、DWT-IV系列低噪声屋顶通风机

DWT系列低噪声屋顶通风机

一、特点

1.型式规格多,应用范围广:可根据使用场合的风量,风压和噪声的不同要求,选用以下型式的风机:

(a)离心式屋顶通风机:DWT-III型,适用于风量较小而压力要求较高的场合;

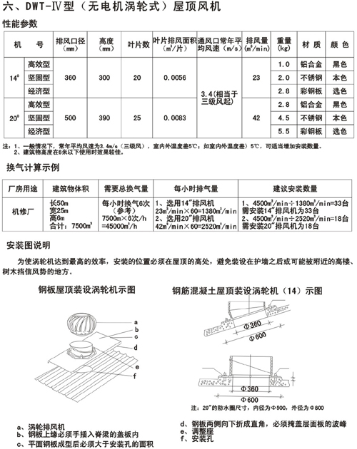
(b)无电机屋顶通风机:代号为DWT-IV型,适用于钢结构屋顶,是新世纪环保风机首选产品。

2.效率高噪声低本风机系采用先进的CAD系列软件,经多目标优化设计开发。本系列风机中1200.1400.1500.1600.2000.及2400mm风机采用同值径不同转速,不同角度改变几量.风压的方法,以满足不同使用工况的需要,达到风机与系统匹配,以利实现节能和降低噪声;

3.质轻。高强。耐腐蚀;风机叶轮可根据工作空气介质不同的腐蚀性而采用不同的材质,分别有ABS(工程塑料)FRP(玻璃钢)和铝合金板材制作,对于压力要求高,风机转速较大的离心风机,叶轮表面较特殊的镀锌加喷塑耐蚀处理,不仅降低整机重量且有良好的耐腐蚀能力;

4.运转平稳,寿命长;本风机的转动惯量小,动平衡精度高,运转平稳,各项性能指标的工厂内控标准要求均高于风机待业标准,能确保风机长期稳定地运行;

5.适用面广:本风机可以根据使用要求,制造成防爆型,阻燃型,适用于抗老化,抽送易燃易爆及有腐蚀性气体的场合;

6.外型美观:本风机的风帽部件采用玻璃钢制作,外表采用进口胶衣树脂膜,曲面过渡柔和,美观大方,实用性强;也可根据用户要求制成钢风帽经镀锌喷塑(PVC)处理;

7.使用条件:介质温度不超过60摄氏度,气体中不允许含有过量粘性物,含尘量小于100mg/m。对介质温度高的场合,我厂有高温风机技术可提供产品使用。

8.本产品经浙江省产品技术监督所检测合格,检测项目含阻燃,导电性能,防爆,抗风性能等,由市产品技术监督局监制。

二、型号结构说明

1.轴流式屋顶风机直径自300-2400mm,供十七种机号,离心式屋顶风机有300-1000mm九种机号。还可根据用户需要提供其它机号的风机;

2.各种型号的风机结构可参阅总装图,它由叶轮,风筒,风帽,传动部件,活页风门,防鸟网,安全网等部件组成;(以上配置,按用户要求制作)

3.风机传动形式:DWT-1型风机直径<_2200mm采用电机直联传动,2200mm以上风机采用皮带传动形式,也可根据客户要求采用减速器传动形式,活页风门有重力式,电动式和手动式三种。

4.屋顶风使用范围广且数量大,根据用途的需要结构形式繁杂,本厂可按用户不同的技术要求,进行研制开发,并对外形结构进行改进。





Copyright © 绍兴上虞宏亿风机有限公司 版权所有 All rights reserved    浙ICP备11034398号-1    浙公网安备 33060402000344号    技术支持:上虞大成网络